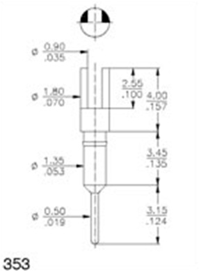
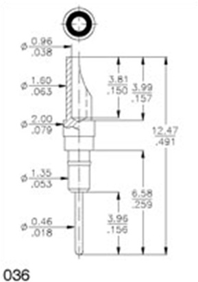
Se rendre au contenu

Barrettes