Se rendre au contenu

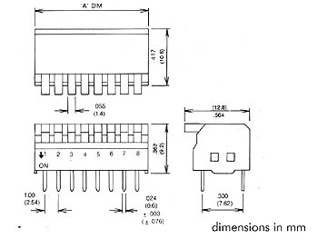
INTERRUPTEUR DIP PIANO 4 POSITIONS

https://www.reboul.fr/web/image/product.template/86550/image_1920?unique=c244ee9
valeurs circuit matériaux et finition spécifications électriques et mécaniques emballage
Reference: DS-4P
Code commande: 1274-9904
Disponibilité:
sous 7 jour(s)

2,64 € 2.64 EUR 2,64 € TTC

Not Available For Sale

Caracteristiques
Nombre de contacts: 4