Se rendre au contenu

INVERSEUR TRI I=6,6AC3/24-500VAC/CD10-30VDC

https://www.reboul.fr/web/image/product.template/276804/image_1920?unique=dc80122
Gamme SG9 - SW9 - Inverseurs Ces relais sont utilisés pour inverser le sens de rotation d'un moteur. La série SW9 est prête à l'emploi avec dissipateur et fixation rail DIN intégrés. Ils sont tous équipés de LED de visualisation et d'une protection contre la commande simultanée.
Reference: SG969100
Code commande: 1057-8452
Disponibilité:
sous 7 jour(s)

704,38 € 704.38 EUR 704,38 € TTC

Not Available For Sale

Caracteristiques
Poids: 400g
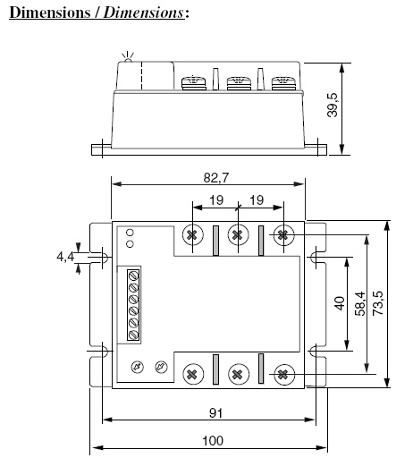
Dimensions: 100 x 73.5 x 39.5 mm
Plage tension cmde min: 10V
Plage tension cmde max: 30V
Type sortie: AC TRIPHASÉ
Plage tension charge min: 24V
Plage tension charge max: 520V
Courant commutable: 6.6A
Montage: Sur dissipateur
Type de commande: Tension DC
Fonction: Inverseur moteur
Documents