Se rendre au contenu

INTER GLISSIERE APR

https://www.reboul.fr/web/image/product.template/5160/image_1920?unique=fe79830
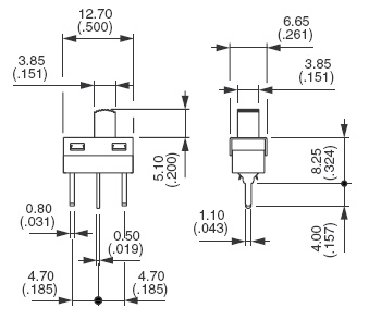
Inverseurs miniatures professionnels à glissière
Reference: GH36P000000
Code commande: 1015-4274
Disponibilité:
En stock (22)

2,59 € 2.59 EUR 2,59 € TTC

Not Available For Sale

Caracteristiques
Poids: 5g
Nombre de pôles: 1
Configuration: ON-ON
Connexions: Picots CI droits
Documents