Se rendre au contenu

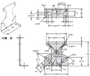
Equerres de fixation

6,94 € 6.94 EUR
69,54 € 69.54 EUR