Se rendre au contenu

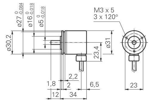
Codeur incrémental, Ø30 mm et axe Ø5 mm, IP64, résolution 500 imp/tour, sorties Totem pôle AB0, alimentation 10-30 VDC, presse-é

https://oc.reboul.fr/web/image/product.template/252311/image_1920?unique=53daaf7
Codeur miniature avec axe sortant ø 5 mm , Principe de détection optique,Boîtier ø 30 mm, Bride synchro.
Reference: BDK 16.24K500-L5-5
Code fournisseur: 10156566
Code commande: 1298-2127
Disponibilité:
sous 7 jour(s)

489,84 € 489.84 EUR 489,84 € TTC

Not Available For Sale

Caracteristiques
Poids: 85g
Dimensions: 30.2 x 46 mm
Fonction: Incrémental
Résolution (points/tour): 500
Diamètre codeur: 30.2mm
Diamètre de l'axe: 5mm
Tension d'alimentation min: 10V
Tension d'alimentation max: 30V
Type de sortie: Driver de ligne (TTL)
Indice de protection: IP65
Raccordement: Sortie cable nu
Axe traversant: non