Se rendre au contenu

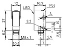
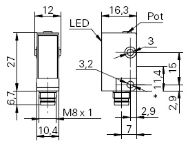
Laser de contraste Boîtier plastique 10*27*16 PNP - claire/sombre - connecteur M8 4 pôles Portée max : 150mm

https://oc.reboul.fr/web/image/product.template/274430/image_1920?unique=5609eda
détecteur de contraste construction subminiature temps d'activation très court
Reference: OZDK 10P5150/S35A
Code fournisseur: 10162951
Code commande: 1031-6979
Disponibilité:
sous 17 jour(s)

845,64 € 845.64 EUR 845,64 € TTC

Not Available For Sale

Caracteristiques
Poids: 150g
RoHS: oui
Dimensions: 27 x 12 x 16 mm
Type de sortie: DC PNP
Mode de service: DARK-ON + LIGHT-ON
Portée min: 3mm
Portée max: 150mm
Raccordement: connecteur M8 4 broches
Méthode de réglage: Potentiomètre
Indice de protection: IP67
Forme: PARALLELEPIPEDIQUE
Methode de détection: Reflexion directe
Technologie: LASER
Tension d'alimentation: 10-30VDC
Options: Contraste
Documents