Se rendre au contenu

POTENTIOMETRE LIN MONO AVEC INTERRUPTEUR 4K7

https://www.reboul.fr/web/image/product.template/84536/image_1920?unique=c5fb73d
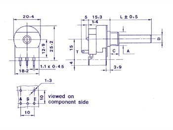
Potentiomètres rotatifs de 20mm avec piste de carbone pour applications CI • Boîtier métallique et axe en plastique (Ø 6mm) • Interrupteur unipolaire (1A - 24VCC / 0.3A - 250VCA).linéaire (série A)
Reference: K004AMS
Code commande: 1278-1331
Disponibilité:
En stock (7)

8,34 € 8.34 EUR 8,34 € TTC

Not Available For Sale

Caracteristiques
RoHS: oui
Résistance: 4.7kOhms
Linéaire / logarithmique: Linéaire
Monotour / Multitours: Monotour
Element resistif: CARBONE
Simple / Double: Simple
Avec interrupteur: oui
Tolérance (-/+): 20%
Estimation puissance: 0.4W
Diamètre axe: 6.35mm