Se rendre au contenu

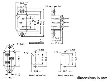
EMBASE MALE POUR CHASSIS

https://oc.reboul.fr/web/image/product.template/299446/image_1920?unique=204423b
Embase CEE pour chassis - résistance d'isolation: 1000Mohm min. - résistance diélectrique: 2000V min. - agréations: 15A / 250V: UL, CSA 10A / 250V: VDE, SEMKO, SEV, FIMKO
Reference: PSCM1
Code commande: 1270-1667
Disponibilité:
En stock (29)

3,42 € 3.42 EUR 3,42 € TTC

Not Available For Sale

Caracteristiques
Poids: 0g
Genre: Male
Type: Embase
Couleur: Noir